

產品概述
隨著工業自動化水平的提高,各行各業廣泛使用整流器、變頻器等大功率電力電子器件,產生大量高次諧波。電流注入電網,使電網電壓、電流波形畸變,電能質量惡化,并威脅供電系統中其他電氣設備的運行安全。諧波可使變壓器、電纜和其他電力器件產生附加損耗;還可導致控制、保護和測量系統的功能異常,通訊和網絡受到干擾。
FC型無源濾波裝置由濾波電容器、濾波電抗器組成濾波回路,并與諧波源并聯。調諧后可使不同濾波支路對相應頻率諧波電流呈低阻抗,從而起到就地吸收諧波電流的目的。同時,在基波頻率輸出容性無功功率,補償系統的感性無功,改善系統的功率因數。根據現場情況可采取單調諧、雙調諧和高通濾波器組成一個濾波系統,對系統中含有率較大的諧波(如3次、5次、7次、11次及以上等)進行濾除。該裝置運行可靠,保護系統齊全。
型號說明

技術特點
諧波控制器,能夠實時顯示諧波含量、功率因數等數據,以方便觀察濾波后的效果。
針對用戶系統專門設計制造,消除特性諧波如:5次、7次、11次、13次等,濾波效果明顯。
既能治理諧波又能補償無功,治理后諧波電流達到國家標準要求,視負載不同平均可節電7%-30%左右。
濾波裝置投入后用電質量可明顯改善,可改善沖擊負載引起的電流沖擊,減少電壓波動和抑制電壓閃變,
提高電壓穩定性,改善電壓質量。
COSφ可提高到0.90以上,使用戶線損降低可提高配電變壓器的利用率,經濟效益明顯。
完善的裝置保護措施,過流、速斷、過壓、低電壓等功能,確保設備安全運行。
有效防止諧波放大,可避免與系統發生諧振。
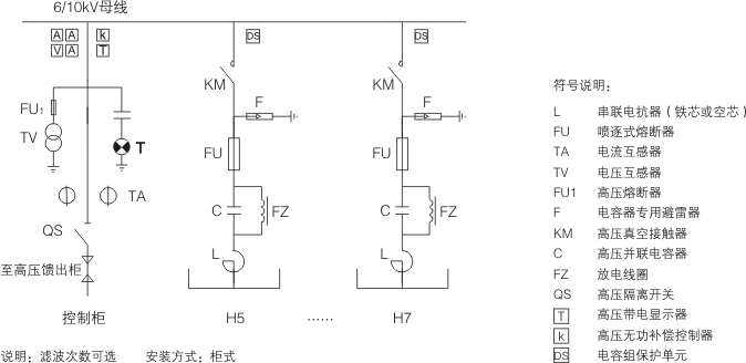
高壓FC每個支路由真空開關、濾波電容器、濾波電抗器、放電線圈、電流互感器、避雷器等組成。
高壓FC完善的電容器保護功能:電容器安全放電裝置,斷電后在規定時間內將電容器殘壓降至50V以下;
單臺電容器短路保護采用高壓噴逐式熔斷器;電容器組保護可選用開口三角電壓保護。
技術參數
額定電壓:0.4kV、6kV、10kV
頻率:50Hz
相數:3相
控制信號:無功功率
采樣電壓電流:PT二次(AC100V )CT二次(0~50A)
濾除諧波次數:3次、5次、7次、11次及以上(根據諧波含量設計)
濾波效率:75%以上
高壓端絕緣耐壓:a.全波沖擊耐壓(1.2/50us):60kV(峰值);b.工頻1min耐壓:32kV(有效值)
二次繞組之間及繞組對地的工頻耐壓(1min):2.5kV(有效值)
外絕緣相對地最小有效爬電距離:瓷絕緣≥216mm 合成絕緣≥240mm
工作原理
DEFC無源濾波裝置采用電容器與電抗器串聯運行接入電網,柜式結構由控制器控制高低壓投切開關(高壓真空接觸器,低壓電容器專用投切接觸器)對濾波電容器組進行投切,框架式結構采用固定補償方式,并設置相應保護參數。針對不同頻率的諧波設備設置相應的調諧低阻抗濾波通道,對供電系統中存在的諧波進行分流,使諧波流入該濾波通道中。由于濾波效果受系統阻抗及濾波電容器組參數的影響,因此可靠、精確的參數及復雜的計算及驗算是無源動態濾波裝置有效運行的可靠保障。
一次原理圖


平面布置圖




規格數據

應用范圍
廣泛應用于電力系統、礦山、水泥、電氣化鐵路、石油化工、冶金、造船、汽車制造等負載波動頻繁,沖擊性強、諧波含量嚴重超標的行業。